产品中心

在线智能软启动器

在线智能软启动器

在线智能型式软启动器,三进三出就可以直接使用(无需装柜子)无需加交流接触器,产品制造精良,性能卓越,拥有先进控制功能,是今工业领域、矿山、消防、生活供水、城市排污等优秀产品。在线式软启动器具有无级加速平滑启动功能。实现了交流电机从零转速到达额定转速。对电网以及管网实行无冲击损害,大大延长了设备使用寿命。本产品适合各种交流电机风机、水泵、消防泵、喷淋泵、排污泵、深井泵、空压机、制砖机、破碎机、矿山机械等设备的控制,实际平滑启动,无级加速。

产品功能

断相保护:当三相中任一相出现断路时,保护动作时间<1min
过流保护:电机堵转时,保护器延时(±1s)动作
欠压保护:电源电压(60%-75%)Ue时,保护压动作时间<60s
过温保护:当软起动运行超温时,软起动自行关断并报软启动过热故障
三相不平街保护:当三相不平度K1或K2大于10%保护动作时间<10min
过压保护:电源电压Ue>120%时,保护动作时间<1s
复位功能:手动停止键复位

产品接线演示图

产品接线演示图

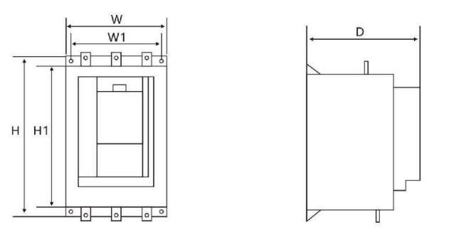
外形和安装尺寸

外形和安装尺寸

型号 功率(KW) 皲逯定输出电流(A) 宽(W) 长(H) 厚(D) 宽(W1) 长(H1)
AZK300-4-011 11KW 20A 160 265 210 147 2248
AZK300-4-015 15KW 30A 160 265 210 147 248
AZK300-4-018 18KW 37A 160 265 210 147 248
AZK300-4-022 22KW 45A 160 265 210 147 248
AZK300-4-030 30KW 60A 160 265 210 147 248
AZK300-4-037 37KW 75A 160 265 210 147 248
AZK300-4-045 45KW 90A 160 265 210 147 248
AZK300-4-055 55KW 110A 230 320 225 147 248
AZK300-4-075 75KW 150A 230 320 225 166 297
AZK300-4-090 90KW 180A 210 360 255 150 325
AZK300-4-115 115KW 230A 210 360 255 150 325
AZK300-4-132 132KW 264A 255 345 255 192 325
AZK300-4-160 160KW 320A 255 345 255 192 325
AZK300-4-185 185KW 370A 290 420 255 230 345
AZK300-4-200 200KW 400A 290 420 255 230 345
AZK300-4-220 220KW 440A 470 540 265 390 510
AZK300-4-250 250KW 500A 470 540 265 390 510
AZK300-4-280 280KW 560A 470 540 265 390 510
AZK300-4-315 315KW 630A 470 540 265 390 510
AZK300-4-350 350KW 700A 500 560 285 335 520
AZK300-4-400 400KW 800A 500 560 285 335 520
AZK300-4-450 450KW 900A 500 560 285 335 520
AZK300-4-500 500KW 1000A 500 560 285 335 520
AZK300-4-630 630KW 1200A 620 780 330 560 660

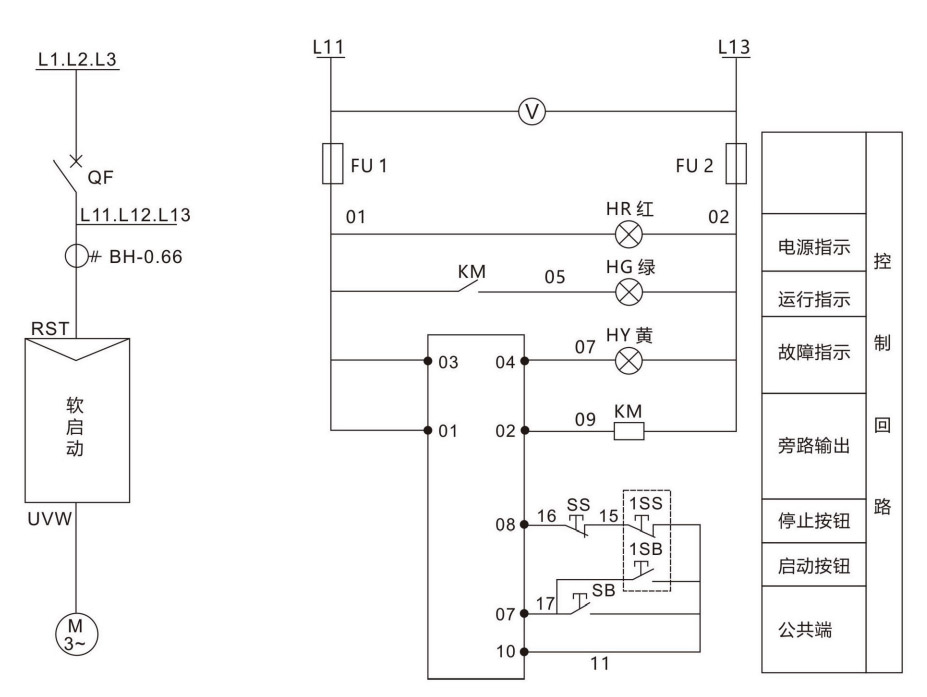
在线智能软启动电气原理图

在线智能软启动电气原理图

在线智能软启动电气原理图

Contact us

联系我们

欢迎与我们联系,一起开创更辉煌的未来!

联系电话

18362211598

公司地址

江苏省张家港市乐余镇振兴路18号