产品中心

旁路智能软启动器

旁路智能软启动器

智能型旁路软启动器是以微处理器为核心,结合可控硅功率驱动、软硬件保护、菜单式LED显示、键盘操作、转矩控制及模糊PID闭环算法等技术、集电机软启动、软停车、轻载节能和多种功能为一体,全新打造的具有国际先进水平的智能启动设备。该设备功能齐全、性能稳定,被广泛的应用于传输类设备、风机、水浆机、压缩机等负载的启动过程中。

技术参数:

产品型号 R5000
电源电压 380V/660V(±15%)
启动电流限制 0.5~5倍
斜坡下降时间 0~60S
软启基值电压 30%Ue-80%Ue,可根据现场设置
突跳启动时间 0.1S
适用电机 鼠笼式三相异步电动机
起动频次 根据负载情况而定
冷却方式 1P20更高等级可协议
环境要求 要求海拔超过1000米,应相应降低容量使用,1000米以上每增加100米,电流降低0.5%环填温度在零下10度,零上40度之间相对湿度不超过95%:无凝露,无易燃易爆气体、无导电尘埃,通风良好的室内环境中。

工作原理

LY200系列电动机软起动器采用三对反并联的品闻管串接于交流电机的定子回路上,利用品用管的电子开关作用,通过微处理器控制其触发角的变化来改变品阐管的开通程度,由此以来改变交流电机输入电压大小,以达到控制交流电动机软启动目的当启动完成后软起动器输出到达额定电,通过旁路控制器信号,自动控制三相旁路接触器KM吸合,将交流电动机投入电网运行工作,如图1所示。

工作原理

主回路接线演示图

主回路接线演示图

外部端子接线说明

型号 功率(KW) 额定输出电流(A) 宽(W) 长(H) 厚(D) 宽(W1) 长(H1)
AZK200-4-011 11KW 22A 164 287 168 147 255
AZK200-4-015 15KW 30A 164 287 168 147 255
AZK200-4-078 18.5KW 37A 164 287 168 147 255
AZK200-4-022 22KW 45A 164 287 168 147 255
AZK200-4-030 30KW 60A 164 287 168 147 255
AZK200-4-037 37KW 75A 164 287 168 147 255
AZK200-4-045 45KW 90A 164 287 168 147 255
AZK200-4-055 55KW 110A 164 287 168 147 255
AZK200-4-075 75KW 150A 164 287 168 147 255
AZK200-4-090 90KW 180A 260 470 260 230 440
AZK200-4-115 115KW 230A 260 470 260 230 440
AZK200-4-132 132KW 264A 260 470 260 230 440
AZK200-4-160 160KW 320A 260 470 260 230 440
AZK200-4-185 185KW 370A 260 470 260 230 440
AZK200-4-200 200KW 400A 260 470 260 230 440
AZK200-4-250 250KW 500A 290 500 260 260 470
AZK200-4-280 280KW 560A 290 500 260 260 470
AZK200-4-315 315KW 630A 290 500 260 260 470
AZK200-4-350 350KW 700A 290 500 260 260 470
AZK200-4-400 400KW 800A 300 550 285 300 500
AZK200-4-450 450KW 900A 300 550 285 300 500
AZK200-4-500 500KW 1000A 300 550 285 300 500

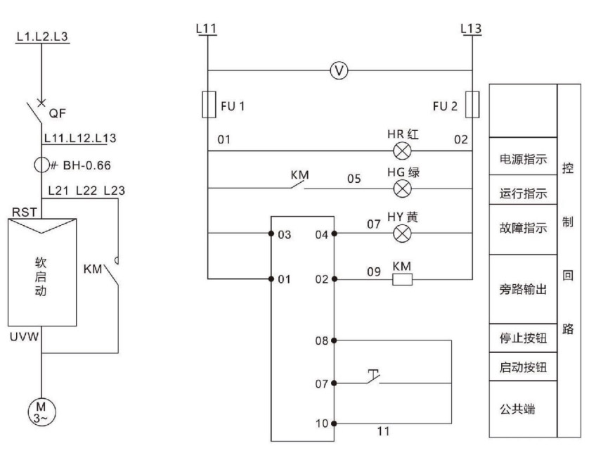
旁路软启动器电气原理图

旁路软启动器电气原理图

旁路软启动器电气原理图

外形和安装尺寸

外形和安装尺寸

型号 功率(KW) 额定输出电流(A) 宽(W) 长(H) 厚(D) 宽(W1) 长(H1)
AZK200-4-011 11KW 22A 164 287 168 147 255
AZK200-4-015 15KW 30A 164 287 168 147 255
AZK200-4-078 18.5kW 37A 164 287 168 147 255
AZK200-4-022 22KW 45A 164 287 168 147 255
AZK200-4-030 30KW 60A 164 287 168 147 255
AZK200-4-037 37KW 75A 164 287 168 147 255
AZK200-4-045 45KW 90A 164 287 168 147 255
AZK200-4-055 55KW 110A 164 287 168 147 255
AZK200-4-075 75KW 150A 164 287 168 147 255
AZK200-4-090 90KW 180A 260 470 260 230 440
AZK200-4-115 115KW 230A 260 470 260 230 440
AZK200-4-132 132KW 264A 260 470 260 230 440
AZK200-4-160 160KW 320A 260 470 260 230 440
AZK200-4-185 185KW 370A 260 470 260 230 440
AZK200-4-200 200KW 400A 260 470 260 230 440
AZK200-4-250 250KW 500A 290 500 260 260 470
AZK200-4-280 280KW 560A 290 500 260 260 470
AZK200-4-315 315KW 630A 290 500 260 260 470
AZK200-4-350 350KW 700A 290 500 260 260 470
AZK200-4-400 400KW 800A 300 550 285 300 500
AZK200-4-450 450KW 900A 300 550 285 300 500
AZK200-4-500 500KW 1000A 300 550 285 300 500
Contact us

联系我们

欢迎与我们联系,一起开创更辉煌的未来!

联系电话

18362211598

公司地址

江苏省张家港市乐余镇振兴路18号