产品中心

AZK800重载矢量异步同步变频器

AZK800重载矢量异步同步变频器

通用矢量型变频器主要由整流(交流变直流)、滤波、逆变(直流变交流)、制动单元、驱动单元、检测单元微处理单元等组成。变频器靠内部IGBT的开断来调整输出电源的电压和频率,根据电机,的实际需要来提供其所需要的电源电压,进而达到节能、调速的目的,另外,变频器还有很多的保护功能,如过流、过压、过载保护等等。随着工业自动化程度的不断提高,变频器也得到了非常广泛的应用。

技术参数:

产品名称 高性能矢量变频器
功率规格 185KW~220KW
额定电压 380V
输入电压 ±15%
输入频率 50Hz
冷却等级 风冷,带风扇控制
低频输出 0~300Hz
高频输出 0~3000Hz
控制方式 V/F控制、高级V/F控制、V/F分离控制、电流矢量控制
保护方式 过电流、过压欠压、模块故障、过热、短路、输入及输出缺相、电机参数调节异常、电子热继电器等

主回路接线演示图

主回路接线演示图

外型和安装尺寸

外型和安装尺寸


型号 宽(A) 长(B) 长(H) 宽(W) 厚(D) 电流(A) 净重(kg)
185KW 360 870 900 480 360 340 81
200KW 360 870 900 480 360 380 81
220KW 360 870 900 480 360 425 81
250KW 360 870 900 480 360 480 85.4
280KW 500 1035 1060 650 360 530 131
315KW 500 1035 1060 650 360 600 131
355KW 500 1035 1060 650 390 650 134.5
400KW 500 1035 1060 650 390 720 136.7
450KW 800 1310 1350 1000 390 820 250
500KW 800 1310 1350 1000 390 860 254
560KW 800 1310 1350 1000 390 1060 254
630KW 800 1310 1350 1000 390 1200 254
710KW 800 1310 1350 1000 390 1400 264

A/B为安装尺寸,H/W/D为外围尺寸
尺寸单位为mm

变频面板说明

变频面板说明

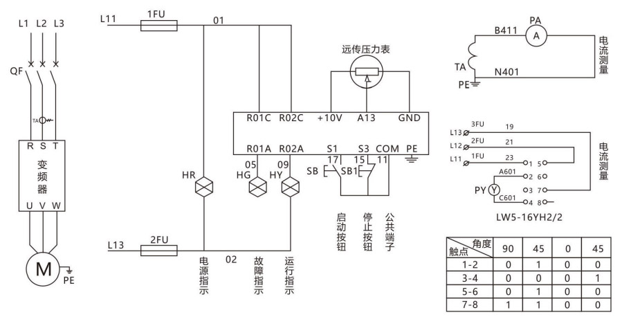
一拖一供水接线原理图

一拖一供水接线原理图

控制单元-外接电位器端子接线图

外接电位器端子接线图

外部端子-外接启动停止端子接线图

外接启动停止端子接线图

外部端子-外接正反转接线图

外接正反转接线图

Contact us

联系我们

欢迎与我们联系,一起开创更辉煌的未来!

联系电话

18362211598

公司地址

江苏省张家港市乐余镇振兴路18号